深圳品微光电科技有限公司
  • 网站首页
  • 关于我们
  • 产品中心
    成像相机 电路软件 光学元件 其他
  • 案例中心
    短波红外相机应用案例 偏振相机应用案例
  • 资讯中心
  • 人才招聘
  • 联系我们
  • 1

分类栏目

Column

  • 成像相机
  • 电路软件
  • 光学元件
  • 其他
推荐产品
金属线栅偏振片

金属线栅偏振片

成像电路与软件

成像电路与软件

短波红外相机

短波红外相机

微纳宽波带增透窗口

微纳宽波带增透窗口

新闻动态
  • 赋能千行百业:先进光电成像方案如何成为工业4.0与科学发现的通用使能技术
  • 全光谱高分辨率成像:光电成像技术如何重塑科研与工业视觉的边界
当前位置:   网站首页 » 首页产品展示

偏振相机

发布时间:2025-12-05 16:39:00浏览次数:124次

900×500-1.png

900×500-3.png

图片3.jpg


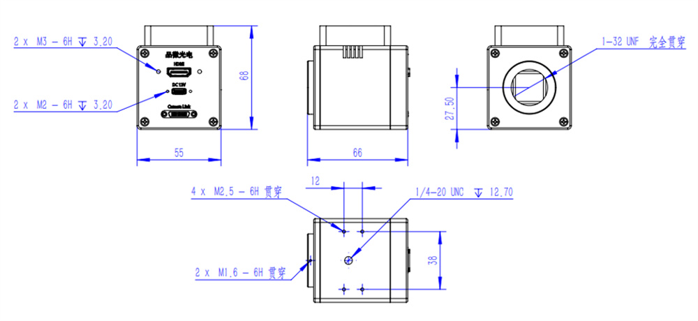
品微光电偏振相机BP2480具有高分辨率、高帧率、高集成度等特点,能同时采集四个不同偏振方向的图像,显著提高探测目标与背景的对比度,减少反射光的影响,具有透雾特性。品微偏振相机以其独特的优势,在空间目标探测,去雾识别,天文观测、工业检测、生物成像和三维形貌测量领域具有显著的应用前景。


参数表1.png

参数表2.png



87d4970440cbb3ab716cc615bfd98e2b.png



上一篇: 金属线栅偏振片
下一篇:没有了
友情链接: 企划动力 |  
  • 关于我们

  • 产品中心

  • 成像相机
  • 电路软件
  • 光学元件
  • 其他
  • 案例中心

  • 短波红外相机应用案例
  • 偏振相机应用案例
  • 资讯中心

微信二维码微信二维码

  • 24小时咨询热线15001099958

版权所有:深圳品微光电科技有限公司  备案号:粤ICP备2025506901号

  • 微信
    微信二维码
  • 15001099958
  • TOP
统计代码